¡°ÁúÅÆ¡±Ö½ÃæÊ¯¸à°å×÷ΪÖйúÐÂÐͽ¨²ÄÐÐÒµµÄÁúÍ·²úÆ·£¬£¬£¬£¬£¬£¬¶àÄêÀ´£¬£¬£¬£¬£¬£¬ÔÚÆ·ÅÆ¡¢²úÆ·ÖÊÁ¿¡¢Ó¦ÓÃÊÖÒÕ¡¢Éú²ú¹æÄ£µÈ·½ÃæÒ»Ö±ÒýÁì×ÅÖйúÖ½ÃæÊ¯¸à°å¹¤ÒµÅÉú³¤£¬£¬£¬£¬£¬£¬ÊÇÖйúÖ½ÃæÊ¯¸à°å¹¤ÒµÄÚ¹«¹²ÊìÖªÆ·ÅÆ¡£¡£¡£¡£¡£¡£
¡°ÁúÅÆ¡±Ö½ÃæÊ¯¸à°å¶¼ÊÇÖÚ¶à¹ú¼Ò´óÐÍÖØµã¹¤³ÌÏîÄ¿¼°ÖÐÍâ±ê¼ÇÐÔÐÞ½¨µÄÖ¸¶¨²úÆ·¡£¡£¡£¡£¡£¡£
×Ô¡°ÁúÅÆ¡°Ö½ÃæÊ¯¸à°åÎÊÊÀÒÔÀ´£¬£¬£¬£¬£¬£¬´ÓÖйúµÚÒ»¼ÒÎåÐǼ¶Âùݡª¡ª³¤³Ç·¹µê£¬£¬£¬£¬£¬£¬µÚÒ»¸ö´óÐ͸ֽṹÐÞ½¨¾©¹ãÖÐÐÄ£¬£¬£¬£¬£¬£¬ÈËÃñ´óÀñÌᢰËÒ»¾üί´óÂ¥¡¢¹«°²²¿°ì¹«´óÂ¥¡¢¹ú¼Ò´ó¾çÔº¡¢±±¾©°ÂÔË´óÏá¢Ê×¶¼¹ú¼Ê»ú³¡µÈ¹ú¼ÒÖØµã¹¤³Ì£¬£¬£¬£¬£¬£¬¹¤ÉÌÒøÐÐ×ÜÐС¢¹úµç´óÏá¢Öк£ÓÍµÈÆóÒµ×ܲ¿´óÂ¥£¬£¬£¬£¬£¬£¬µ½°ÄÃÅÍþÄá˹ÈËÂùݡ¢2008Äê±±¾©°ÂÔËÖ÷»á³¡¹ú¼ÒÌåÓý³¡£¡£¡£¡£¡£¡£¨Äñ³²£©¡¢¹ú¼ÒÓÎÓ¾ÖÐÐÄ£¨Ë®Á¢·½£©µÈ³¬´óÐ͹¤³ÌÏîÄ¿£¬£¬£¬£¬£¬£¬±±¾©¹úóÐÞ½¨Èº(Öйú×ð¡¢¹úóÈýÆÚ¡¢CCTVÐĄַ̂µÈ)¡¢ÉϺ£Â½¼Ò×ìÐÞ½¨Èº£¨ÉϺ£ÖÐÐÄ¡¢½ðï´óÏᢾÙÊÀ½ðÈÚÖÐÐĵȣ©¡¢±±¾©¸±ÖÐÐÄ¡¢ÐÛ°²ÐÂÇø¡¢2022Ä궬°Â»á³¡¹ÝµÈº£ÄÚ¸÷µØ±êÐÞ½¨ÒÔÖ·¿µØ²úºÍǧ¼ÒÍò»§×¡Õ¬×°ÐÞ¡£¡£¡£¡£¡£¡£
¾Ýͳ¼Æ£¬£¬£¬£¬£¬£¬»ñµÃ¹ú¼ÒÐÞ½¨¹¤³Ì½±90%µÄÐÞ½¨¶¼½ÓÄÉÁËÓŵÂ88¹Ù·½ÍøÕ¾ÖÐÎİ潨²Ä¡°ÁúÅÆ¡±Ö½ÃæÊ¯¸à°åϵͳ¡£¡£¡£¡£¡£¡£
¡°ÁúÅÆ¡±Ö½ÃæÊ¯¸à°åÆ·ÖÖ¶àÑù£¬£¬£¬£¬£¬£¬ÅäÌ×ÖÊÁÏÆëÈ«¡£¡£¡£¡£¡£¡£³ýͨË×ϵÁС¢ÄÍˮϵÁС¢Äͳ±ÏµÁС¢ÄÍ»ðϵÁÐÖ½ÃæÊ¯¸à°åÍ⣬£¬£¬£¬£¬£¬ÉÐÓи߼¶ÄÍË®ÄÍ»ðϵÁС¢¾»È©ÏµÁС¢Ë«·À£¨·À¿ªÁÑ¡¢·ÀÏÂÏÝ£©ÏµÁеÈÌØÖÖʯ¸à°åϵÁУ»£»£»£»£»£»Â³°àÍòÄܰåϵÁÐÊÎÃæ¸»ºñ£¬£¬£¬£¬£¬£¬ÅäÌ×ÖÊÁÏÖÖÀàÆëÈ«£¬£¬£¬£¬£¬£¬×°Åäʽʩ¹¤£¬£¬£¬£¬£¬£¬ÄÜÖª×ãÖÖÖÖÉè¼ÆÐèÒª¡£¡£¡£¡£¡£¡£
- ÄÍ»ðʯ¸à°å
- ÄÍˮʯ¸à°å
- ¾»È©Ê¯¸à°å
- Ë«·Àʯ¸à°å
- ´©¿×ʯ¸à°å
- Ïà±äʯ¸à°å

1¡¢²úÆ·¸ÅÊö
¡°ÁúÅÆ¡±ÄÍ»ðϵÁÐÖ½ÃæÊ¯¸à°å½ÓÄɸßÐÔÄÜ»¤ÃæÖ½ÓëÐÞ½¨Ê¯¸àÀο¿Õ³½á³ÉÐÍ£¬£¬£¬£¬£¬£¬ÃæÖ½³Ê·ÛºìÉ«£¬£¬£¬£¬£¬£¬°åо¼ÓÈë²£Á§ÏËάºÍÌØÊâÌí¼Ó¼Á£¬£¬£¬£¬£¬£¬¾ßÓÐÓÅÒìµÄÄÍ»ðÐÔÄÜ£¬£¬£¬£¬£¬£¬ÑÏ¿áÆ¾Ö¤ GB/T 9775-2008¡¶Ö½ÃæÊ¯¸à°å¡·¹ú¼Ò±ê×¼Éú²ú£¬£¬£¬£¬£¬£¬ÇкÏGB 6566-2010¡¶ÐÞ½¨ÖÊÁÏ·ÅÉäÐÔºËËØÏÞÁ¿¡·¹ú¼Ò±ê×¼ÖС°AÀà×°ÐÞÖÊÁÏ¡±µÄÒªÇ󣬣¬£¬£¬£¬£¬ÎªA2¼¶²»È¼ÖÊÁÏ£¬£¬£¬£¬£¬£¬¹ú±êGB 50222-2017¡¶ÐÞ½¨ÄÚ²¿×°ÐÞÉè¼Æ·À»ð¹æ·¶¡·µÚ3.0.4Ìõ»®¶¨ ¡°Ö½ÃæÊ¯¸à°å¡¢¿óÃÞÎüÉù°å×°ÖÃÔÚ½ðÊôÁú¹ÇÉÏ£¬£¬£¬£¬£¬£¬¿É½«Æä×÷ΪA¼¶ÖÊÁÏʹÓᱡ£¡£¡£¡£¡£¡£
2¡¢²úÆ·ÌØµã
Ôھ߱¸¡°ÁúÅÆ¡±Í¨Ë×ϵÁÐÖ½ÃæÊ¯¸à°åËùÓÐÓÅÁ¼ÌØÕ÷µÄ»ù´¡ÉÏ£¬£¬£¬£¬£¬£¬¡°ÁúÅÆ¡±ÄÍ»ðϵÁÐÖ½ÃæÊ¯¸à°å»¹¾ßÓÐÒÔϹ¦Ð§£º
¸ßÄÍ»ðÐÔÄÜ£ºÄÍ»ð²£Á§ÏËά¼°ÌØÊâÌí¼Ó¼Á£¬£¬£¬£¬£¬£¬Óö»ðÎȹÌÐÔµÖ´ï45·ÖÖÓÒÔÉÏ(¹ú±ê»®¶¨²»Ð¡ÓÚ20·ÖÖÓ£©£»£»£»£»£»£»
¶àÑù»¯Ñ¡Ôñ£ºÆ·ÖÖ¹æ¸ñÆëÈ«£¬£¬£¬£¬£¬£¬¿Éƾ֤²î±ðÄÍ»ðÒªÇóÑ¡Ôñ²î±ðºñ¶È£¨×îºñ25mm£©µÄÄÍ»ðʯ¸à°å¡£¡£¡£¡£¡£¡£
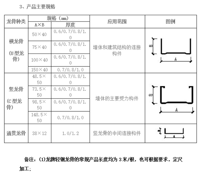
3¡¢²úÆ·¹æ¸ñ
| ÖÖÀà | 9.5 ºñ¶È(mm) | 12 ºñ¶È (mm) | 15 ºñ¶È(mm) | ¿í(mm) | ³¤(mm) |
| ÄÍ»ðÖ½ÃæÊ¯¸à°å | ¡î | ¡î | ¡î | 1200 | 2400/3000 |
| ¸ß¼¶ÄÍ»ðÖ½ÃæÊ¯¸à°å | ¡î | ¡î | 1200 | 2400/3000 | |
| ÌØ¼¶ÄÍ»ðÖ½ÃæÊ¯¸à°å | ¡î | ¡î | 1200 | 2400/3000 |
×¢£º¡°¡î¡±ÎªÍ¨Àý²úÆ·£¬£¬£¬£¬£¬£¬¡°¡î¡±Îª¶¨ÖƲúÆ·£¬£¬£¬£¬£¬£¬ÁúÅÆÊ¯¸à°å¿Éƾ֤¿Í»§µÄÌØÊâÒªÇ󶨳ßÉú²ú£ººñ¶È9.5¡«25mm£¬£¬£¬£¬£¬£¬¿í¶È1200¡«1250mm£¬£¬£¬£¬£¬£¬³¤¶È1800¡«3660mm¡£¡£¡£¡£¡£¡£ËùÓйæ¸ñ¾ù¿ÉÉú²úÏìÓ¦Ó¢ÖÆ³ß´ç¡£¡£¡£¡£¡£¡£

1¡¢²úÆ·¸ÅÊö
¡°ÁúÅÆ¡±Ë«·ÀÖ½ÃæÊ¯¸à°å½ÓÄɸßÐÔÄÜ»¤ÃæÖ½ÓëÐÞ½¨Ê¯¸à¼°ÌØÊâÌí¼Ó¼ÁµÈо²ÄÀο¿Õ³½á³ÉÐÍ£¬£¬£¬£¬£¬£¬ÕýÃæ³ÊdzÀ¶É«£¬£¬£¬£¬£¬£¬¾ßÓнÏÇ¿¿¹Êܳ±±äÐÎÄÜÁ¦ºÍ¿¹¿ªÁÑÄÜÁ¦¡£¡£¡£¡£¡£¡£ÑÏ¿áÆ¾Ö¤GB/T 9775-2008¡¶Ö½ÃæÊ¯¸à°å¡·¹ú±êÉú²ú£¬£¬£¬£¬£¬£¬ÇÐºÏÆ¾Ö¤GB 8624-2012¡¶ÐÞ½¨ÖÊÁϼ°ÖÆÆ·È¼ÉÕÐÔÄÜ·Ö¼¶¡·¹ú±ê¼ì²âÒªÇ󣬣¬£¬£¬£¬£¬ÎªA2¼¶£¬£¬£¬£¬£¬£¬¹ú±êGB 50222-2017¡¶ÐÞ½¨ÄÚ²¿×°ÐÞÉè¼Æ·À»ð¹æ·¶¡·µÚ3.0.4Ìõ»®¶¨ ¡°Ö½ÃæÊ¯¸à°å¡¢¿óÃÞÎüÉù°å×°ÖÃÔÚ½ðÊôÁú¹ÇÉÏ£¬£¬£¬£¬£¬£¬¿É½«Æä×÷ΪA¼¶ÖÊÁÏʹÓᱡ£¡£¡£¡£¡£¡£
2¡¢²úÆ·ÌØµã
Ç¿¶È¸ß¡¢ÊªÕÍÂʽöΪ0.01%£¬£¬£¬£¬£¬£¬¶øÒ»Ñùƽ³£ÏËάˮÄà»ùÀà²úƷΪ0.25%×óÓÒ£¬£¬£¬£¬£¬£¬Ò»ÂÉÌõ¼þϸüÎȹ̡£¡£¡£¡£¡£¡£¾ßÓнÏÇ¿¿¹Êܳ±±äÐÎÄÜÁ¦ºÍ¿¹¿ªÁÑÄÜÁ¦¡£¡£¡£¡£¡£¡£
3¡¢²úÆ·¹æ¸ñ
| ÖÖÀà | 9.5ºñ¶È£¨mm£© | 12ºñ¶È£¨mm£© | 15 ºñ¶È£¨mm£© | ¿í£¨mm£© | ³¤£¨mm£© |
| Ë«·ÀÖ½ÃæÊ¯¸à°å | ¡î | ¡î | ¡î | 1200 | 2400/3000 |
×¢£º¡°¡î¡±ÎªÍ¨Àý²úÆ·£¬£¬£¬£¬£¬£¬¡°¡î¡±Îª¶¨ÖƲúÆ·£¬£¬£¬£¬£¬£¬ÁúÅÆÊ¯¸à°å¿Éƾ֤¿Í»§µÄÐèÇ󶨳ßÉú²ú£ººñ¶È9.5¡«25mm£¬£¬£¬£¬£¬£¬¿í¶È1200¡«1250mm£¬£¬£¬£¬£¬£¬³¤¶È1800¡«3660mm¡£¡£¡£¡£¡£¡£ËùÓйæ¸ñ¶¼¿ÉÉú²úÏìÓ¦Ó¢ÖÆ³ß´ç¡£¡£¡£¡£¡£¡£















































































¾©¹«Íø°²±¸11011402012941ºÅ